Retail Customers eligible for a 10% Discount promotion on all orders over $125 ! Type in 10% Discount in the Coupon Code Box and click Apply Coupon
Stay Connected: (732)264-7176
Suzuki Outboard DF 9.9 Parts Listings - 2016
S/N 00995F-610001 to 00995F-61XXXX
Fig. 111 - Cylinder Head
Fig. 113 - Cylinder Block
Fig. 116 - Crankshaft
Fig. 120 - Timing Belt
Fig. 121 - Camshaft
Fig. 126 - Inlet Manifold
Fig. 144 - Fuel Injector
Fig. 146 - Fuel Pump
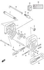
Fig. 160 - Water Pump
Fig. 162 - Thermostat
Fig. 163A - Throttle BodyNon-Remote Control
Fig. 163B - Throttle BodyRemote Control
Fig. 166 - Throttle ControlRemote Control
Fig. 167 - Recoil Starter
Fig. 175 - Oil Pump
Fig. 206A - Clutch RodNon-Remote Control
Fig. 206B - Clutch RodRemote Control
Fig. 210 - Shift Rod
Fig. 220 - Transmission
Fig. 301 - Starting Motor
Fig. 303A - MagnetoManual Starter
Fig. 303B - MagnetoElectric Starter
Fig. 310A - Rectifier/Ignition CoilNon-Remote Control
Fig. 310B - Rectifier/Ignition CoilRemote Control
Fig. 322A - HarnessNon-Remote Control
Fig. 322B - HarnessRemote Control
Fig. 322C - HarnessRemote Control w/Power Tilt
Fig. 322D - HarnessTiller Handle w/Power Tilt
Fig. 327A - PTT SwitchRemote Control w/Power Tilt
Fig. 327B - PTT SwitchTiller Handle w/Power Tilt
Fig. 334A - Sensor/SwitchNon-Remote Control
Fig. 334B - Sensor/SwitchRemote Control
Fig. 334C - Sensor/SwitchTiller Handle w/Power Tilt
Fig. 335A - Clamp BracketNon-Remote Control
Fig. 335B - Clamp Bracketw/Power Tilt
Fig. 336A - Swivel BracketNon-Remote Control
Fig. 336B - Swivel BracketRemote Control
Fig. 336C - Swivel BracketRemote Control w/Power Tilt
Fig. 336D - Swivel BracketTiller Handle w/Power Tilt
Fig. 338 - Tilt Cylinder w/Power Tilt
Fig. 340 - PTT Motor w/Power Tilt
Fig. 401 - Engine Holder
Fig. 405 - Drive Shaft Housing
Fig. 407A - Gear Case
Fig. 407B - Gear Casew/High Thrust Prop
Fig. 410A - Side CoverNon-Remote Control
Fig. 410B - Side CoverRemote Control
Fig. 410C - Side CoverRemote Control w/Power Tilt
Fig. 410D - Side CoverTiller Handle w/Power Tilt
Fig. 420 - Engine Cover
Fig. 432 - Fuel Tank
Fig. 442 - Drag LinkRemote Control
Fig. 444 - Tiller Handle
Fig. 450A - Remote Control
Fig. 450B - Remote Controlw/Power Tilt
Fig. 501 - Opt: MeterRemote Control
Fig. 513 - Opt: Remote Control Parts
Fig. 530 - Opt: SwitchRemote Control
Fig. 544 - Opt: Top Mount Single (1)
Fig. 545 - Opt: Top Mount Single (2)
Fig. 553 - Opt: ElectricalManual Starter
Fig. 561 - Opt: Starting MotorManual Starter
Fig. 583 - Opt: Fuel Tank