Retail Customers eligible for a 10% Discount promotion on all orders over $125 ! Type in 10% Discount in the Coupon Code Box and click Apply Coupon
Stay Connected: (732)264-7176
Suzuki Outboard DF 50 Parts Listings - 2014
S/N 05003F-410001 to 05003F-41XXXX, 05004F-410001 to 05004F-41XXXX
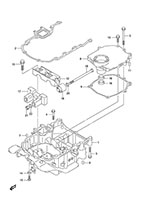
Fig. 2 - Cylinder Head
Fig. 6 - Cylinder Block
Fig. 7 - Ring Gear Cover
Fig. 8 - Crankshaft
Fig. 9 - Timing Chain
Fig. 10 - Camshaft
Fig. 12 - Intake Manifold/Silencer/Exhaust Cover
Fig. 16 - Vapor Separator
Fig. 17 - Fuel Injector
Fig. 18 - Fuel Pump
Fig. 20 - Water Pump
Fig. 22 - Water Pump High Thrust
Fig. 24 - Thermostat
Fig. 25 - Throttle Body
Fig. 26 - Oil Pump
Fig. 27 - Oil Pan
Fig. 28 - Clutch Shaft
Fig. 30 - Shift Rod
Fig. 32 - Shift Rod High Thrust
Fig. 35 - Transmission
Fig. 37 - Transmission High Thrust
Fig. 39 - Starting Motor
Fig. 40 - Magneto
Fig. 41 - Rectifier/Ignition Coil
Fig. 43 - Sensor
Fig. 45 - Sensor High Thrust
Fig. 48 - Harness
Fig. 50 - Harness High Thrust
Fig. 53 - PTT Switch/Engine Control Unit
Fig. 55 - PTT Switch/Engine Control Unit High Thrust
Fig. 58 - Clamp Bracket
Fig. 60 - Clamp Bracket High Thrust
Fig. 63 - Swivel Bracket
Fig. 65 - Swivel Bracket High Thrust
Fig. 68 - Trim Cylinder
Fig. 70 - Trim Cylinder High Thrust
Fig. 72 - PTT Motor
Fig. 74 - Engine Holder
Fig. 76 - Engine Holder High Thrust
Fig. 79 - Drive Shaft Housing
Fig. 81 - Drive Shaft Housing High Thrust
Fig. 84 - Gear Case
Fig. 86 - Gear Case High Thrust
Fig. 88 - Side Cover
Fig. 90 - Engine Cover
Fig. 92 - Engine Cover High Thrust
Fig. 95 - Fuel Tank
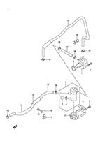
Fig. 99 - Fuel Hose
Fig. 100 - Drag Link
Fig. 101 - Opt: Meter
Fig. 102 - Opt: Harness
Fig. 103 - Opt: Switch
Fig. 106 - Opt: Tiller Handle
Fig. 107 - Gasket Set
Fig. 108 - Opt: SMIS Gauges