Retail Customers eligible for a 10% Discount promotion on all orders over $125 ! Type in 10% Discount in the Coupon Code Box and click Apply Coupon
Stay Connected: (732)264-7176
Suzuki Outboard DF 30 Parts Listings - 2005
S/N 03001F-510001 to 03001F-51XXXX
Fig. 1 - Cylinder Head
Fig. 2 - Cylinder Block
Fig. 3 - Under Oil Seal
Fig. 4 - Crankshaft
Fig. 5 - Camshaft
Fig. 6 - Valve
Fig. 7 - Inlet Case
Fig. 8 - Carburetor
Fig. 9 - Silencer
Fig. 10 - Exhaust Cover
Fig. 11 - Fuel Pump
Fig. 12 - Water Pump
Fig. 13 - Thermostat
Fig. 14 - Recoil Starter
Fig. 15 - Throttle Control Non-Remote Control
Fig. 16 - Throttle Control Remote Control
Fig. 17 - Oil Pump
Fig. 18 - Oil Pan
Fig. 19 - Clutch Non-Remote Control
Fig. 20 - Clutch Remote Control
Fig. 21 - Shift Rod
Fig. 22 - Drive Shaft
Fig. 23 - Starting Motor
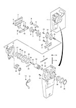
Fig. 24 - Magneto
Fig. 25 - Rectifier
Fig. 26 - Ignition Coil
Fig. 27 - Switch
Fig. 28 - Harness
Fig. 29 - PTT Relay Remote Control w/Power Tilt
Fig. 30 - Clamp Bracket
Fig. 31 - Swivel Bracket
Fig. 32 - Gas Cylinder
Fig. 33 - Power Tilt Remote Control w/Power Tilt
Fig. 34 - PTT Motor Remote Control w/Power Tilt
Fig. 35 - Engine Holder
Fig. 36 - Drive Shaft Housing
Fig. 37 - Gear Case
Fig. 38 - Side Cover
Fig. 39 - Engine Cover
Fig. 40 - Tiller Handle
Fig. 41 - Fuel Tank
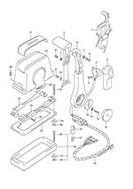
Fig. 42 - Remote Control Box
Fig. 43 - Remocon Cable
Fig. 44 - Drag Link
Fig. 45 - Opt: Starting Motor
Fig. 46 - Opt: Meter
Fig. 47 - Opt: Trim Sender
Fig. 48 - Opt: Switch Panel
Fig. 50 - Opt: Tiller Handle
Fig. 51 - Top Mount Single (1)
Fig. 52 - Top Mount Single (2)
Fig. 53 - Opt: Concealed Remocon (1)
Fig. 54 - Opt: Concealed Remocon (2)
Fig. 55 - Opt: Remocon Attachment
Fig. 56 - Opt: Remocon Parts Set
Fig. 57 - Opt: Gasket Set
Fig. 58 - Optional